Baltimore Flag Baltimore
DC Flag DC
Chicago Flag Chicago
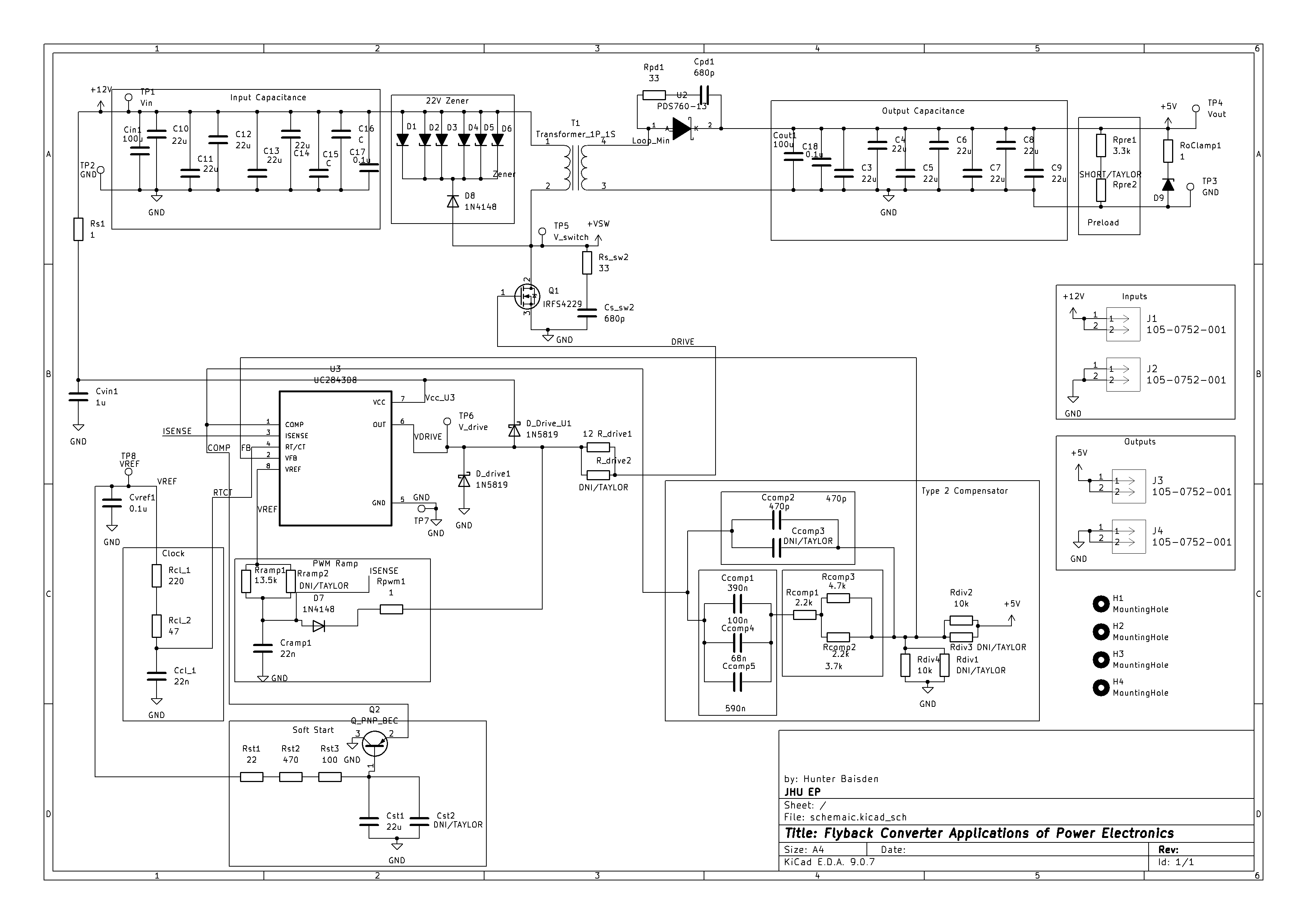
12V -> 5V DCM Flyback Converter

12V -> 5V DCM Flyback Converter

Power Electronics MATLAB Hardware Circuit Design Analog Control

The class goal was to design a converter that fit a long list of requirements including:

Voltage-Mode Control, 12V in, 5V +/- 0.1V, 0-5A load range, 45 degrees phase margin and 10dB of gain margin across all conditions, 75+% efficient, ouput impedance of < 0.1 ohms

The entire class was designing this converter from the groundup